CNG Natural Gas Dehydration Technology
CNG drying and dehydration is a critical process ensuring the safe use of compressed natural gas. Its core purpose is to deeply remove water vapor from natural gas, preventing it from condensing into liquid water under high-pressure and low-temperature conditions, thus avoiding equipment corrosion, pipeline ice blockage, reduced calorific value and other problems. The technology adopts a dual-tower circulation system: while one tower performs adsorption, the other is regenerated using dry hot gas, achieving continuous, stable and highly efficient dehydration, and guaranteeing smooth and safe operation throughout the entire CNG production, storage and refueling process.
■ Technical Features
· Adopts patented new isobaric temperature swing adsorption (TSA) dehydration technology, saving 20%~30% energy consumption compared with similar products.· Isobaric dehydration process with dehydration depth up to -70 °C (dew point).
· Regeneration circulation system requires no additional circulation power, saving energy consumption of circulation compressors.
· Energy-saving heat exchanger is added to the regeneration system, making full use of waste regeneration heat.
· No loss of feed gas in the drying system, with a gas recovery rate of up to 99.99%.
· Four-way ball valves are used for switching, greatly improving equipment stability.
■ Main Performance Indicators
| Wet Gas Flow Rate | 400~20000Nm³/h | Pressure Drop | ≤30KPa |
| Inlet Pressure | 0.2~25MPa | Adsorbent | 4A & Special Molecular Sieves |
| Inlet Temperature | 40C° | Regeneration Time | ≤8h |
| Atmospheric Dew Point of Product Gas | ≤-70 ℃ | Gas Filtration Precision | ≤3μm |
| Noise Level | ≤75 dB | Inlet & Outlet Pipe Diameter DN | 50~300mm |
| Protection Grade / IP Rating | 54 IP | Single Tower Adsorption Time | ≥8~24h |
| Pressure Dew Point of Inlet Natural Gas | -13 ℃ at operating pressure | Control Mode | Intelligent PLC Control |
| Installation Mode | Indoor / Outdoor (to be specified by customer) | Regeneration Temperature | 150~220℃ 250~300℃ |
| Average Regeneration Gas Flow Rate | 5% ~ 8% of rated gas treatment capacity | Power Supply | Three-phase power supply 380V/50HZ |
| Regeneration Mode | Automatic closed-loop or open-loop cycle, heated regeneration, zero emission | ||
| Switching Mode | Automatic or manual switching between dual towers, automatic regeneration control | ||
| User Options | 1. Cooling method (air cooling or water cooling) 2. Dew point meter (optional) 3. Installation method (to be specified by customer) | ||
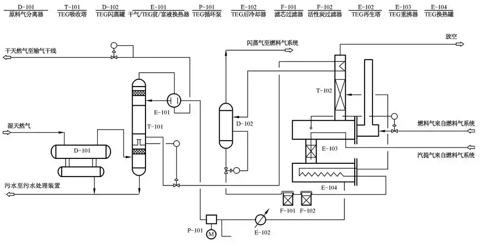
■ Process Flow Diagram

Product Inquiry:137-7170-5679