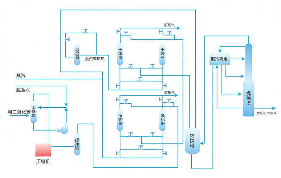
PSA CO₂ Recovery and Purification Technology
After being washed with water to remove residual MDEA solution, the feed gas is compressed, purified and dried to remove trace organic matters such as alcohols and peculiar smells. Then, through rectification and purification, trace low-boiling gases dissolved in CO₂ are further removed to obtain high-purity industrial-grade or food-grade CO₂, which is sent to storage tanks or filled into cylinders.
■ Technical Features
· Mature production technology and safe operation· nbsp;Trouble-free operation and long-term continuous service
· nbsp;Wide range of feed gases: lime kiln gas, alcohol fermentation tail gas, flue gas, ammonia plant shift gas, etc.
■ Process Flow Diagram


Product Inquiry:137-7170-5679